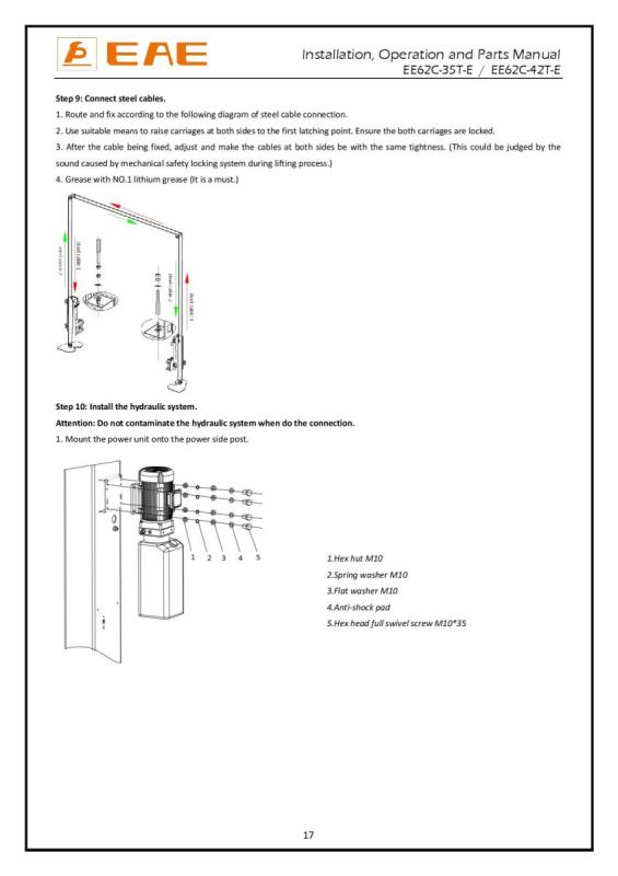
LOT DATA
|
|
| 2 : 2-palenbrug MODENA E / EE62C-42T-E (4,2 ton). - 2023 |
Time left:
Start time
11-11-2025 19:30
5.00
19.00
21.00
7
4,2T - koper dient zelf te demonteren
MODENA_62C.pdf
MODENA_62C.pdf
- Een elektromechanische vergrendeling,
- Aluminium motor zonder oververhitting,
- Verwisselbare met schroefdraad verstelbare opnametampons,
- Overbelasting beveiliging,
- Regelklep tijdens het dalen,
- Veiligheidsklep in geval van een plotseling verlies van de druk,
- Elektrisch bedieningskastje op 24 V dode mans type,
- Mechanische beveiliging elektrisch bediend,
- Hoogte limiter 24V,
- Adapters inbegrepen voor bestelwagens,
- Rubberen bescherming voor de deuren van het voertuig,
- Mechanische synchronisatie,
- Handmatige deblokkering van de veiligheid voor een nood daalfunctie in geval van panne,
- Overbelasting proef gedaan volgens EN 1493-2010,
- Italiaanse pakking op de hydraulische cilinders,
- CE-certificaat.